Name:SAGINOMIYA fan speed controller RGE-Z1N4-7
Brand:Saginomiya
Model No.:RGE
Part No.:RGE-Z1N4-7
Country of origion:Japan
Apply:200~240V 0.2~4A
Used for:refrigeration and Air Conditioning Condenser

Product Description

SAGINOMIYA fan speed controller RGE-Z1N4-7

 

GENERAL DESCRIPTION


The most suitable for controlling the condenser fan


speed of freezing or refrigeration condensing units,


package air conditioners, or other units which are


operated throughout the year.


Keep condensing pressure constant in winter and


intermediate seasons for stable operation.


Following modes are selectable during low-speed


operation.


 Minimum Speed Operation


 Cut off Operation


Excellent electrical noise-resistant design.


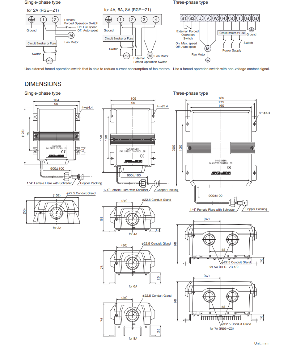
Applicable to the external forced operation switch.


SPECIFICATIONS


Max.working pressure: 4.7MPa


Control method: Phase control


Enclosure: IP54




Hits: 【Print】